





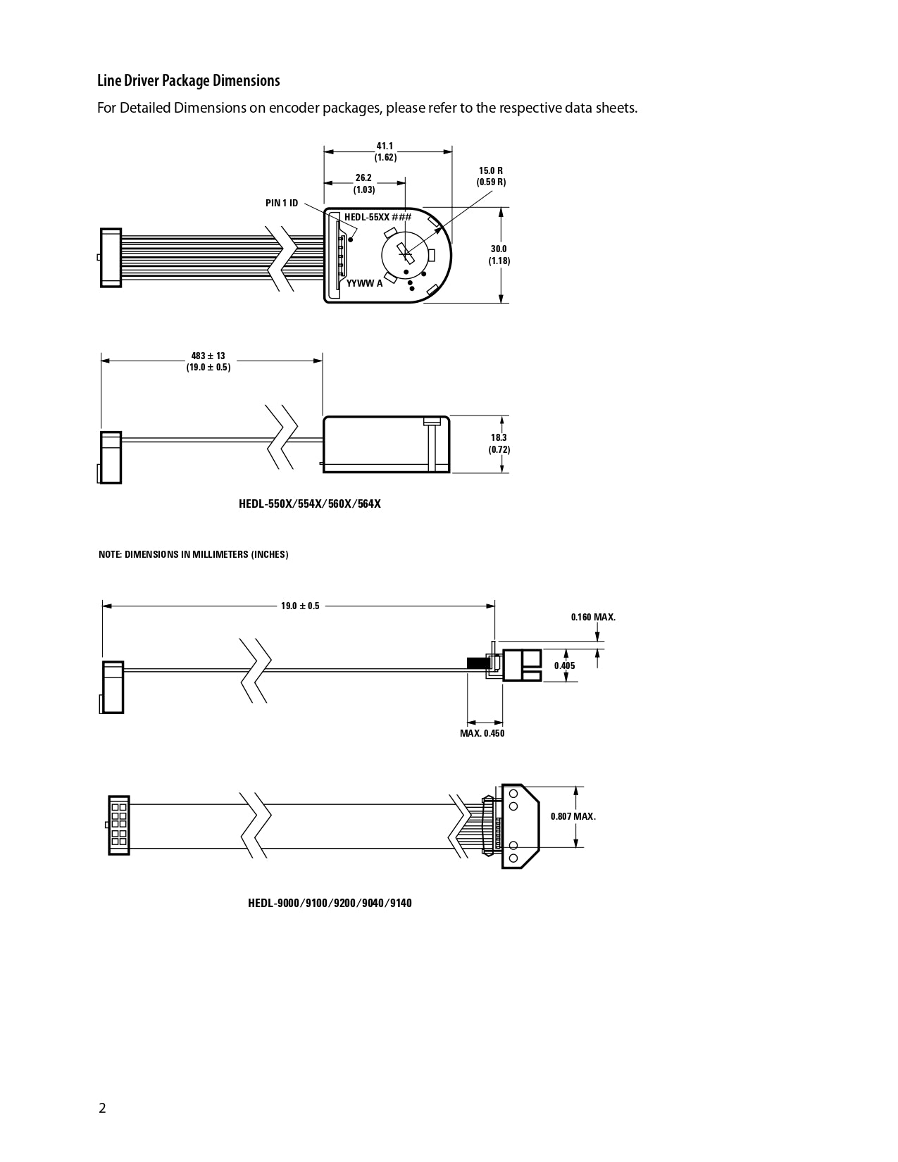
Encoder incremental HEDL-5640-A13
Encoder incremental HEDL-5640-A13.
- Estado: Nuevo
- Diámetro eje: 8mm
- Resolución: 500 PPR
- Voltaje de trabajo: 5VDC
Elige opciones






Encoder incremental HEDL-5640-A13
Precio de oferta€125,00






Encoder incremental HEDL-5640-A13.
Elige opciones





